|
|
|
YDS6000EKFD霍爾可拆直流電流變送器技術特點:
YDS6000EKFD霍爾直流電流變送器系列應用霍爾效應的電流傳感器,能在電隔離條件下測量直流信號電流,輸出和被測電流有效值成比例的4-20mA直流電流輸出。
測量0-6000Aac輸出4-20mAdc,孔 徑62mm,電源DC24V
|
|
YDS6000EKFD霍爾直流電流變送器系列應用電磁感應原理的電流變送器,能在電隔離條件下測量交流信號電流,輸出和被測電流有效值
成比例的直流電壓輸出。
電參數 |
|
型號 |
YDS200
EKFD |
YDS500
EKFD |
YDS1000
EKFD |
YDS2000
EKFD |
YDS3000
EKFD |
YDS4000
EKFD |
YDS6000
EKFD |
|
IPN |
原邊輸入電流 |
0~200 |
0~500 |
0~1000 |
0~2000 |
0~3000 |
0~4000 |
0~6000 |
A |
IP |
原邊電流測量范圍 |
0~300 |
0~750 |
0~1500 |
0~2500 |
0~4000 |
0~4500 |
0~6000 |
A |
IOUT |
副邊輸出電流 |
4~20(±1%) |
mA |
RL |
負載電阻 |
80~650 |
R |
VC |
電源電壓 |
+24(±5%) |
V |
IC |
電流消耗 |
35+IOUT |
mA |
Vd |
絕緣電壓 |
在原邊與副邊電路之間5KV有效值/50Hz/1分鐘 |
|
εL |
線性度 |
±1 |
%FS |
I0 |
零點失調電流 |
TA =25℃4±0.1 |
mA |
IOM |
磁失調電流 |
IPN→0<0.1 |
mA |
IOT |
失調電流溫漂 |
IPN=0TA =-25~+85℃<0.005 |
mA/℃ |
Tr |
響應時間 |
≤7 |
μs |
f |
頻帶寬度(-3dB) |
DC~10 |
kHz |
TA |
工作環境溫度 |
-25~+85 |
℃ |
TS |
貯存環境溫度 |
-40~+100 |
℃ |
g |
重量(約) |
480 |
g |
|
標準 |
Q/320115QHKJ01-2013 |
|
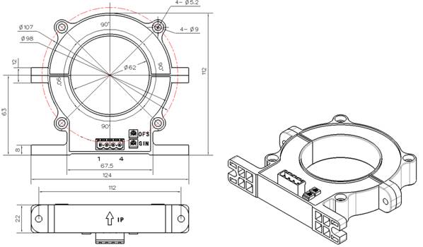
外形尺寸(mm) |


端子說明:1,正電源2,電源地3,電流輸出4,電源地OFS,零點調節GIN,幅度調節
|
使用說明 |
1、錯誤的接線可能導致傳感器損壞。傳感器通電后,當被測電流從傳感器箭頭方向穿過,即可在輸出端測得同相電流值。
2、傳感器的輸出幅度可根據用戶需求進行適當的調節。
3、可按用戶需求定制不同額定輸入電流和輸出電壓的傳感器。 |
|
|
|